Linear Unit MRJ 65

The MRJ linear units have toothed belt drive and compact dimensions to provide high performance features such as high speed and good accuracy. For very high speeds, up to 10 m/s, the track rollers (journal bearings) of the type MRJ are particularly suitable.

The unit MRJ have a pre-tensioned steel reinforced AT polyurethane timing toothed belt. In conjunction with a zero-backlash drive pulley high moments with alternating loads with good positioning accuracy, low wear and low noise can be realized.

All parts in the profile are protected from dust and other contaminations. As corrosion-resistant protection strip is available as option.
Read more

Product Information

Modulus of Elasticity: E = 70000 N / mm2
Operating Temperature (°C): 0 ~ +60 For operating temperature out of the presented range, please contact Rollco.
Duty Cycle: 100%
Max. Acceleration (m/s²): 50 (Optional, acceleration up to 70 m/s² possible if used without INOX seal strip)
Max. Travel Speed (m/s): 1.5 (Optional, travel speed up to 10 m/s possible if used without INOX seal strip)
Designation Select all CAD Compare Get quote Lead Time * Carriage Length Lv (mm) Load Capacity Cy (N) Load Capacity Cz (N) Dynamic Moment Mx (Nm) Dynamic Moment My (Nm) Dynamic Moment Mz (Nm) Dynamic Load Capacity C (N) Static Load Capacity C0 (N) Max. Permissible Loads Forces Fpy (N) Max. Permissible Loads Forces Fpz (N) Max. Permissible Loads Moments Mpx (Nm) Max. Permissible Loads Moments Mpy (Nm) Max. Permissible Loads Moments Mpz (Nm) Moved Mass (kg) Max. Repeatability (mm) Max. Length Lmax (mm) Max. Stroke (mm) Min. Stroke (mm)
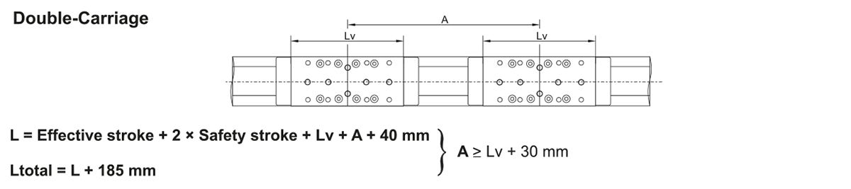
Request quote 2 190 8600 4400 74 186 425 8600 4400 1920 1470 25 62 95 1.31 ± 0.08 6000 5770 0

*Green: Normally in stock, contact us for current status. Blue: Contact us for delivery time.

Designation Select all CAD Compare Get quote Carriage version Load Capacity Cy (N) Load Capacity Cz (N) Dynamic Moment Mx (Nm) Dynamic Moment My (Nm) Dynamic Moment Mz (Nm) Max. Permissible Loads Forces Fpy (N) Max. Permissible Loads Forces Fpz (N) Max. Permissible Loads Moments Mpx (Nm) Max. Permissible Loads Moments Mpy (Nm) Max. Permissible Loads Moments Mpz (Nm)
Request quote L2 17200 8800 148 4.4 × A (mm) 8.6 × A (mm) 3850 2940 50 1.5 × A (mm) 1.9 × A (mm)
Designation Select all CAD Compare Get quote Max. Drive Torque Ma (Nm) No Load Torque with Strip (Nm) No Load Torque without Strip (Nm) Pulley Drive Ratio (mm/rev) Pulley Diameter Belt Type Belt Width Max. Force Transmitted by Belt (N) Specific Spring Constant Cspec (N) Planar Moment of Inertia ly (cm⁴) Planar Moment of Inertia lz (cm⁴)
Request quote 13.1 1 0.7 165 52.52 AT5 32 500 600000 59.7 74.4
Designation Select all CAD Compare Get quote Mass of Linear Unit (kg) Mass Moment of Inertia (10⁻⁵ kg m²) Planar Moment of Inertia ly (cm⁴) Planar Moment of Inertia lz (cm⁴) Moved Mass (kg)
Request quote 4.3 + 0.0047 × (Abs. Stroke + (nc - 1) × A) + 1.31 × (nc - 1) 120.4 + 0.0154 × (Abs. Stroke + (nc - 1) × A) + 90.3 × (nc - 1) 59.7 74.4 1.31