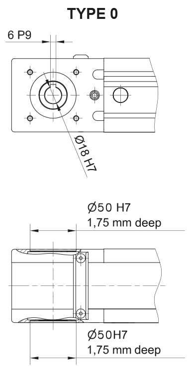
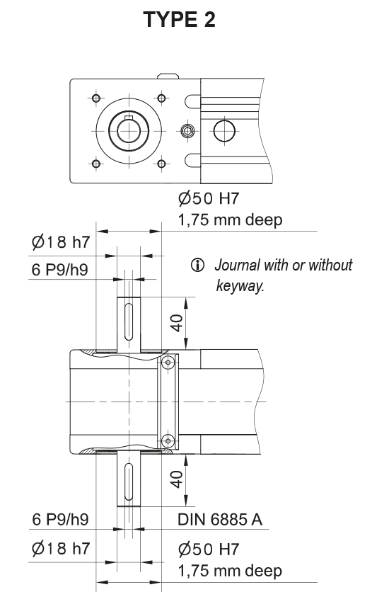
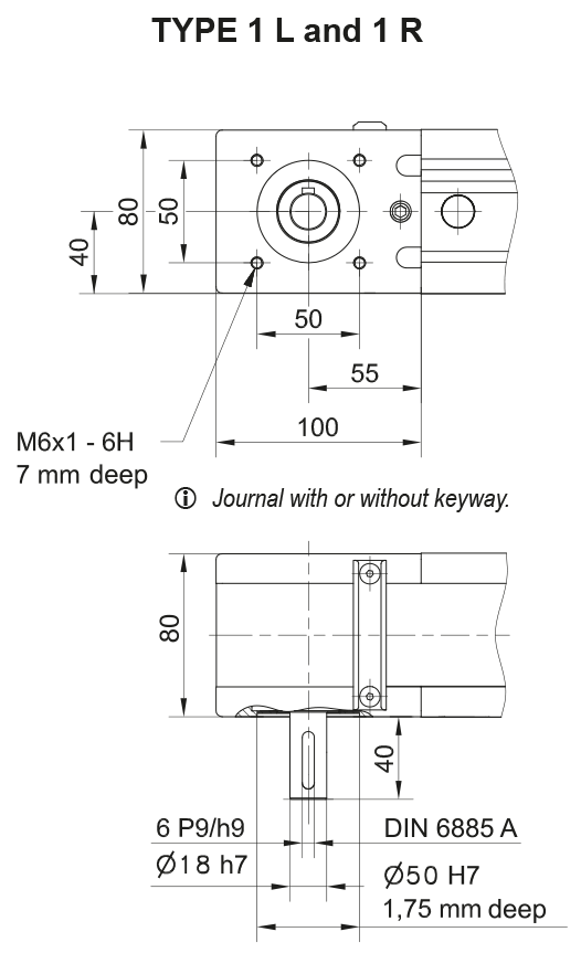
Fixing System
            The linear units are mounted by using fixtures placed in the slot on the side of the profile
        
        
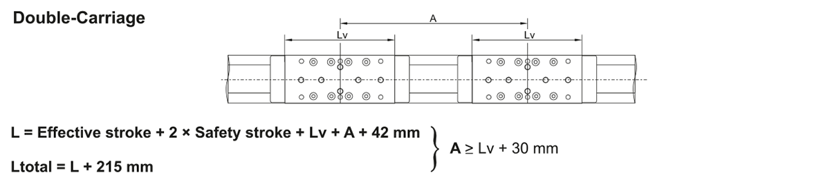
    | Designation | Select all | CAD | Compare | Get quote | Lead Time * | Carriage Length Lv (mm) | Dynamic Moment Mx (Nm) | Dynamic Moment My (Nm) | Dynamic Moment Mz (Nm) | Dynamic Load Capacity C (N) | Static Load Capacity C0 (N) | Max. Permissible Loads Forces Fpy (N) | Max. Permissible Loads Forces Fpz (N) | Max. Permissible Loads Moments Mpx (Nm) | Max. Permissible Loads Moments Mpy (Nm) | Max. Permissible Loads Moments Mpz (Nm) | Moved Mass (kg) | Max. Repeatability (mm) | Max. Length Lmax (mm) | Max. Stroke (mm) | Min. Stroke (mm) | 
|---|---|---|---|---|---|---|---|---|---|---|---|---|---|---|---|---|---|---|---|---|---|
| 
                                                     | 
                                                
 | 
                                                        2 | 170 | 185 | 130 | 130 | 17100 | 30000 | 4470 | 7530 | 110 | 122 | 100 | 1.72 | ± 0.08 | 6000 | 5788 | 55 | |||
| 
                                                     | 
                                                
 | 
                                                        2 | 260 | 370 | 2565 | 2565 | 34200 | 60000 | 8930 | 15060 | 150 | 1130 | 670 | 2.72 | ± 0.08 | 6000 | 5698 | 55 | 
*Green: Normally in stock, contact us for current status. Blue: Contact us for delivery time.
| Designation | Select all | CAD | Compare | Get quote | Carriage version | Dynamic Load Capacity C (N) | Static Load Capacity C0 (N) | Dynamic Moment Mx (Nm) | Dynamic Moment My (Nm) | Dynamic Moment Mz (Nm) | Max. Permissible Loads Forces Fpy (N) | Max. Permissible Loads Forces Fpz (N) | Max. Permissible Loads Moments Mpx (Nm) | Max. Permissible Loads Moments Mpy (Nm) | Max. Permissible Loads Moments Mpz (Nm) | 
|---|---|---|---|---|---|---|---|---|---|---|---|---|---|---|---|
| 
                                                     | 
                                                
 | 
                                                        S2 | 34200 | 60000 | 370 | 17.1 × A (mm) | 17.1 × A (mm) | 8930 | 15060 | 220 | 7.5 × A (mm) | 4.5 × A (mm) | |||
| 
                                                     | 
                                                
 | 
                                                        L2 | 68400 | 120000 | 740 | 34.2 × A (mm) | 34.2 × A (mm) | 17860 | 30130 | 300 | 15.1 × A (mm) | 8.9 × A (mm) | 
| Designation | Select all | CAD | Compare | Get quote | Max. Drive Torque Ma (Nm) | No Load Torque with Strip (Nm) | No Load Torque without Strip (Nm) | Pulley Drive Ratio (mm/rev) | Pulley Diameter | Belt Type | Belt Width | Max. Force Transmitted by Belt (N) | Specific Spring Constant Cspec (N) | Planar Moment of Inertia ly (cm⁴) | Planar Moment of Inertia lz (cm⁴) | 
|---|---|---|---|---|---|---|---|---|---|---|---|---|---|---|---|
| 
                                                     | 
                                                
 | 
                                                        29.4 | 1.5 | 1.2 | 210 | 66.84 | AT5 | 50 | 880 | 960000 | 129.1 | 173.4 | |||
| 
                                                     | 
                                                
 | 
                                                        29.4 | 1.7 | 1.4 | 210 | 66.84 | AT5 | 50 | 880 | 960000 | 129.1 | 173.4 | 
| Designation | Select all | CAD | Compare | Get quote | Mass of Linear Unit (kg) | Mass Moment of Inertia (10⁻⁵ kg m²) | Planar Moment of Inertia ly (cm⁴) | Planar Moment of Inertia lz (cm⁴) | Moved Mass (kg) | 
|---|---|---|---|---|---|---|---|---|---|
| 
                                                     | 
                                                
 | 
                                                        6.8 + 0.0085 × (Abs. Stroke + (nc - 1) × A) + 1.72 × (nc - 1) | 310.6 + 0.0391 × (Abs. Stroke + (nc - 1) × A) + 192.1 × (nc - 1) | 129.1 | 173.4 | 1.72 | |||
| 
                                                     | 
                                                
 | 
                                                        8.4 + 0.0085 × (Abs. Stroke + (nc - 1) × A) + 2.72 × (nc - 1) | 423.3 + 0.0391 × (Abs. Stroke + (nc - 1) × A) + 303.8 × (nc - 1) | 129.1 | 173.4 | 2.72 |