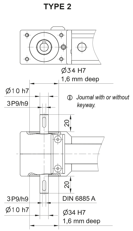
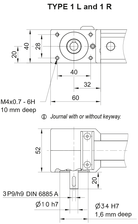
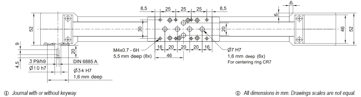
Fixing System
            The linear units are mounted by using fixtures placed in the slot on the side of the profile
        
        
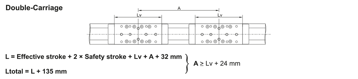
    | Designation | Select all | CAD | Compare | Get quote | Lead Time * | Carriage Length Lv (mm) | Dynamic Moment Mx (Nm) | Dynamic Moment My (Nm) | Dynamic Moment Mz (Nm) | Dynamic Load Capacity C (N) | Static Load Capacity C0 (N) | Max. Permissible Loads Forces Fpy (N) | Max. Permissible Loads Forces Fpz (N) | Max. Permissible Loads Moments Mpx (Nm) | Max. Permissible Loads Moments Mpy (Nm) | Max. Permissible Loads Moments Mpz (Nm) | Moved Mass (kg) | Max. Repeatability (mm) | Max. Length Lmax (mm) | Max. Stroke (mm) | Min. Stroke (mm) | 
|---|---|---|---|---|---|---|---|---|---|---|---|---|---|---|---|---|---|---|---|---|---|
| 
                                                     | 
                                                
 | 
                                                        2 | 92 | 28 | 90 | 90 | 4610 | 6930 | 3840 | 3850 | 14 | 75 | 75 | 0.28 | ± 0.08 | 3000 | 2876 | 25 | 
*Green: Normally in stock, contact us for current status. Blue: Contact us for delivery time.
| Designation | Select all | CAD | Compare | Get quote | Carriage version | Dynamic Load Capacity C (N) | Static Load Capacity C0 (N) | Dynamic Moment Mx (Nm) | Dynamic Moment My (Nm) | Dynamic Moment Mz (Nm) | Max. Permissible Loads Forces Fpy (N) | Max. Permissible Loads Forces Fpz (N) | Max. Permissible Loads Moments Mpx (Nm) | Max. Permissible Loads Moments Mpy (Nm) | Max. Permissible Loads Moments Mpz (Nm) | 
|---|---|---|---|---|---|---|---|---|---|---|---|---|---|---|---|
| 
                                                     | 
                                                
 | 
                                                        2 | 9220 | 13860 | 57 | 4.6 × A (mm) | 4.6 × A (mm) | 7690 | 7690 | 28 | 3.8 × A (mm) | 3.8 × A (mm) | 
| Designation | Select all | CAD | Compare | Get quote | Max. Drive Torque Ma (Nm) | No Load Torque with Strip (Nm) | No Load Torque without Strip (Nm) | Pulley Drive Ratio (mm/rev) | Pulley Diameter | Belt Type | Belt Width | Max. Force Transmitted by Belt (N) | Specific Spring Constant Cspec (N) | Planar Moment of Inertia ly (cm⁴) | Planar Moment of Inertia lz (cm⁴) | 
|---|---|---|---|---|---|---|---|---|---|---|---|---|---|---|---|
| 
                                                     | 
                                                
 | 
                                                        3.7 | 0.4 | 0.2 | 99 | 31.51 | AT3 | 20 | 235 | 225000 | 9.8 | 11.6 | 
| Designation | Select all | CAD | Compare | Get quote | Mass of Linear Unit (kg) | Mass Moment of Inertia (10⁻⁵ kg m²) | Planar Moment of Inertia ly (cm⁴) | Planar Moment of Inertia lz (cm⁴) | Moved Mass (kg) | 
|---|---|---|---|---|---|---|---|---|---|
| 
                                                     | 
                                                
 | 
                                                        1.3 + 0.0024 × (Abs. Stroke + (nc - 1) × A) + 0.28 × (nc - 1) | 9.7 + 0.0035 × (Abs. Stroke + (nc - 1) × A) + 7.0 × (nc - 1) | 9.8 | 11.6 | 0.28 |