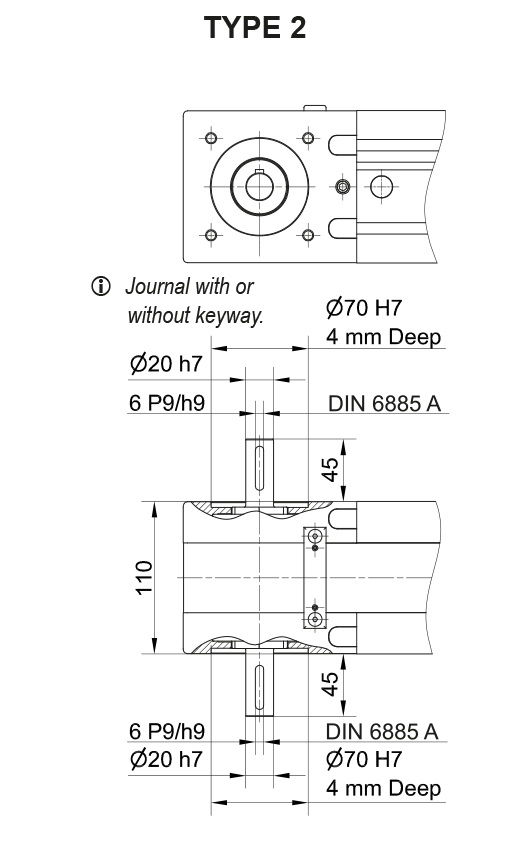
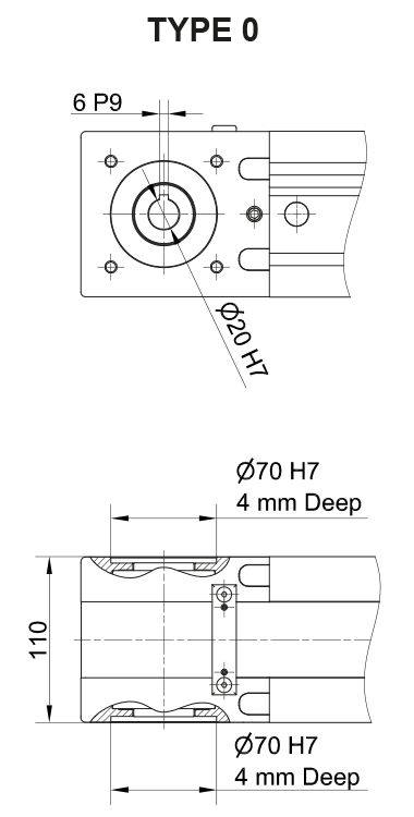
Fixing System
            The linear units are mounted by using fixtures placed in the slot on the side of the profile
        
        
    | Designation | Select all | CAD | Compare | Get quote | Lead Time * | Carriage Length Lv (mm) | Dynamic Moment Mx (Nm) | Dynamic Moment My (Nm) | Dynamic Moment Mz (Nm) | Dynamic Load Capacity C (N) | Static Load Capacity C0 (N) | Max. Permissible Loads Forces Fpy (N) | Max. Permissible Loads Forces Fpz (N) | Max. Permissible Loads Moments Mpx (Nm) | Max. Permissible Loads Moments Mpy (Nm) | Max. Permissible Loads Moments Mpz (Nm) | Moved Mass (kg) | Max. Repeatability (mm) | Max. Length Lmax (mm) | Max. Stroke (mm) | Min. Stroke (mm) | 
|---|---|---|---|---|---|---|---|---|---|---|---|---|---|---|---|---|---|---|---|---|---|
|  |  | 2 | 240 | 315 | 220 | 220 | 24800 | 42500 | 5000 | 10130 | 135 | 180 | 100 | 3.25 | ± 0.08 | 6000 | 5748 | 65 | |||
|  |  | 2 | 330 | 630 | 3840 | 3840 | 49600 | 85000 | 10000 | 20260 | 295 | 1570 | 775 | 4.61 | ± 0.08 | 6000 | 5658 | 65 | 
*Green: Normally in stock, contact us for current status. Blue: Contact us for delivery time.
| Designation | Select all | CAD | Compare | Get quote | Carriage version | Dynamic Load Capacity C (N) | Static Load Capacity C0 (N) | Dynamic Moment Mx (Nm) | Dynamic Moment My (Nm) | Dynamic Moment Mz (Nm) | Max. Permissible Loads Forces Fpy (N) | Max. Permissible Loads Forces Fpz (N) | Max. Permissible Loads Moments Mpx (Nm) | Max. Permissible Loads Moments Mpy (Nm) | Max. Permissible Loads Moments Mpz (Nm) | 
|---|---|---|---|---|---|---|---|---|---|---|---|---|---|---|---|
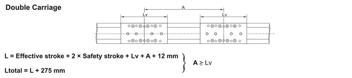
|  |  | S2 | 49600 | 85000 | 630 | 24.8 × A (mm) | 24.8 × A (mm) | 10000 | 20260 | 270 | 10.1 × A (mm) | 5.0 × A (mm) | |||
|  |  | L2 | 99200 | 170000 | 1260 | 49.6 × A (mm) | 49.6 × A (mm) | 20000 | 40510 | 590 | 20.3 × A (mm) | 10.0 × A (mm) | 
| Designation | Select all | CAD | Compare | Get quote | Max. Drive Torque Ma with Keyway (Nm) | Max. Drive Torque Ma without Keyway (Nm) | No Load Torque with Strip (Nm) | No Load Torque without Strip (Nm) | Pulley Drive Ratio (mm/rev) | Pulley Diameter | Belt Type | Belt Width | Max. Force Transmitted by Belt (N) | Specific Spring Constant Cspec (N) | Planar Moment of Inertia ly (cm⁴) | Planar Moment of Inertia lz (cm⁴) | 
|---|---|---|---|---|---|---|---|---|---|---|---|---|---|---|---|---|
|  |  | 68.5 | 82.6 | 1.8 | 1.5 | 300 | 95.49 | AT 10 | 50 | 1730 | 2145000 | 513 | 620 | |||
|  |  | 68.5 | 82.6 | 2 | 1.7 | 300 | 95.49 | AT 10 | 50 | 1730 | 2145000 | 513 | 620 | 
| Designation | Select all | CAD | Compare | Get quote | Mass of Linear Unit (kg) | Mass Moment of Inertia (10⁻⁵ kg m²) | Planar Moment of Inertia ly (cm⁴) | Planar Moment of Inertia lz (cm⁴) | Moved Mass (kg) | 
|---|---|---|---|---|---|---|---|---|---|
|  |  | 15.0 + 0.015 × (Abs. Stroke + (nc - 1) × A) + 3.25 × (nc - 1) | 1065.0 + 0.137 × (Abs. Stroke + (nc - 1) × A) + 741.9 × (nc - 1) | 513 | 620 | 3.25 | |||
|  |  | 17.7 + 0.015 × (Abs. Stroke + (nc - 1) × A) + 4.61 × (nc - 1) | 1381.0 + 0.137 × (Abs. Stroke + (nc - 1) × A) + 1050.9 × (nc - 1) | 513 | 620 | 4.61 | 
 
            
     
            
     
            
     
            
     
            
     
            
     
            
     
            
     
            
     
            
     
            
     
            
     
            
     
            
     
            
     
            
     
            
     
            
     
            
     
            
     
            
     
            
     
            
     
            
     
            
     
            
     
            
     
            
     
            
     
            
     
            
     
            
     
            
     
            
     
            
    